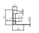
Frame - 30mm

江苏宇马新能源有限公司
  • The base connector fixes the column

  • Connect main beam and column-by-column connections

  • Connect internal purlins by purlin connections and then connect with the main beam

  • The PV module is fixed on the purlin used pressing block

联系生产商
注意: 您的询盘将直接发送至江苏宇马新能源有限公司

产品特点

类型 封装边框
下载公司产品详情

The shed photovoltaic mounting system is mainly suitable for parking shed photovoltaic power stations. This system uses aluminium alloy or carbon steel as material. It is quick to install and looks beautiful. It can generate electricity and park cars.

Technical parameters:

  • Installation position: parking lot

  • Main material: aluminium alloy

  • Designed wind pressure: 0.55kN/m²

  • Designed snow pressure: 0.5kN/m²

  • Service life: 30 years

Yuma Solar — Quality First

Yuma upholds the ethos of "quality paramount, customer foremost, integrity assured", continually striving for superior service levels to fulfil customer requirements.

Presently, Yuma enjoys a commendable reputation in Eastern China, having garnered numerous domestic and international accreditations, including the ISO9001 Quality System certification, the ISO14001 Environmental Management System certification, the ISO45001:2018 Occupational Health and Safety Management System certification, and the Intellectual Property Management System certification.

Production Facility
Testing Center
Project Case
Exhibitions
公司图标

江苏宇马新能源有限公司

Click to show company phone
www.yumasolar.cn
中国大陆
江苏省泰州市高港区宇马大道1号
员工数: 700
注意: 您的询盘将直接发送至江苏宇马新能源有限公司
公司描述

江苏宇马新能源有限公司创立于1992年,坐落于江苏省泰州市宇马大道1号,距离上海约为2.5小时车程,厂区占地面积达15万平方米,职工人数逾600人。公司专注于生产与销售光伏电站支架及组件框产品。生产流程涵盖铝棒至成品,主要环节包括挤压、表面处理以及深加工等。凭借强大的生产能力,公司配备了先进的自动化加工设备,年产铝制品5万吨,钢制品10万吨。

宇马始终秉持“品质至上、客户至上、诚信可靠”的经营理念,力求不断提升服务水平以满足客户需求。目前,宇马已在华东区域树立良好口碑,荣获多项国内外权威认证证书,包括ISO9001质量体系认证、ISO14001环境管理体系认证、ISO45001:2018职业健康安全管理体系认证以及知识产权管理体系认证等。宇马新能源致力于在制造业领域精益求精,立志成为行业领先者,并得到广大客户的长期信任与支持。

数据由TÜV莱茵检验员独立收集 – 2024年8月5日

公司名称 :

Jiangsu Yuma Solar Co., Ltd.

工厂地址 :

No.1 Yuma Road, Dasi Town, Gaogang District, Taizhou City, Jiangsu Province, China (The Actual Audited Enterprise is Jiangsu Yuma International Aluminum In...

联系人 :

Mr. Xi Zhang

URL/Web 地址 :

http://www.yumasolar.com.cn

报告时间 :

2024-08-05

到期时间(两年有效期) :

2026-08-04

评估人 :

Alan Wang

去年整体营业额 :

机密

总建筑面积 :

47,986 m2

建筑数量 :

34

办公室面积 :

3,000 m2

工作时间 :

周一至周五

工作时长 :

07:00-11:00     13:00-17:00

部门名称

全职员工

兼职员工

合 计

GM

1

0

1

Vice GM

1

0

1

Admin. Dept.

15

0

15

Production Dept.

170

0

170

Technology Dept.

5

0

5

Quality Dept.

13

0

13

Fin. Dept.

5

0

5

Sales Dept.

18

0

18

Purchase Dept.

5

0

5

total

233

0

233

出口业务量

目前出口情况

公司有6位外贸员工。

工作经验

人数

超过30年

0

21-30年

0

11-20年

1

6-10年

4

2-5年

1

低于两年

0

可接受语言

听&说

读&写

英语

日语

公司是否持有有效出口许可证? :

  是,出口许可证编号:03374187

是否有海外贸易代理? :

 否

从产品订单确认到生产交货(产品发离公司)的平均时间 :

45 days

最近港口 :

上海口岸

可接受的付款条件

 离岸价
 到岸价
 出厂价
 成本加运费价

可接受的付款方式

 信用证
 电汇
 信用卡
 现金
 西联汇款
 Paypal

市场分布(过去一年)

市场

主要产品

总收入(%)

北美洲

Mounting System

1 %

南美洲

Mounting System

1 %

东欧

Mounting System

2 %

中东

Mounting System

1 %

东亚

Mounting System

1 %

西欧

Mounting System

3 %

北欧

Mounting System

5 %

南欧

Mounting System

2 %

国内市场

Mounting System

84 %

数据由TÜV莱茵检验员独立收集 – 2024年8月5日

产品名称

生产线产能

去年实际生产数量

Mounting System

2,500 吨/月

机密

生产设备

主要设备名称

品牌及型号

数量

状况

Oxidation Treatment Production Line

N/A

1

可接受

Aluminum Extrusion Production Line

MSH-1000T

9

可接受

Spraying Line

LTM1097

3

可接受

Drilling Machine

Z512B

12

可接受

Fully Automatic Border Production Line

N/A

4

可接受

CNC Sawing Machine

JQ-NC455

7

可接受

Automatic Tapping Machine

YM-JQJ-01

4

可接受

Punching Machine

J23-16B

5

可接受

Surface Grinder

7140A-1

1

可接受

Machining Center

TX32

1

可接受

Ultrasonic Cleaning Machine

N/A

1

可接受

Aging Furnace

YM-SXL-24

2

可接受

Oxidation Treatment Production Line

Aluminum Extrusion Production Line

Spraying Line

Drilling Machine

Fully Automatic Border Production L...

CNC Sawing Machine

Automatic Tapping Machine

Punching Machine

Surface Grinder

Machining Center

Ultrasonic Cleaning Machine

Aging Furnace

主要测试设备

设备名称

品牌及型号

数量

状况

Humidity Chamber

LBGDJS-2268

2

可接受

Salt Spray Test Chamber

CZ-60B

1

可接受

Electronic Universal Material Testing Machine

TSKL-20T

2

可接受

Three Coordinate Measuring Instrument

CMF-564

1

可接受

Two Coordinate Measuring Instrument

VMS-3020F

1

可接受

Spectral Analyzer

OE750

1

可接受

Humidity Chamber

Salt Spray Test Chamber

Electronic Universal Material Testi...

Three Coordinate Measuring Instrume...

Two Coordinate Measuring Instrument

Spectral Analyzer

生产流程

1:Raw Material

2:Extrusion Molding

3:Oxidation Treatment

4:Aging Furnace Processing

5:Machining

6: Ultrasonic Cleaning

7:Assembling

8:Packing

9:Warehouse

数据由TÜV莱茵检验员独立收集 – 2024年8月5日

产品研发能力

目前状况

公司拥有5名工程师

教育程度

人数

博士

0

研究生

0

本科

3

专科

1

技校

1

高中

0

专利情况

专利号

专利名称

专利类别

可用日期

参考

ZL 2022 2 3463222.6

A Waterproof Insulation Profile Structure With a Sealing Sleeve

The Patent For Utility Model

2023-12-01

Ref. to the Photo

ZL 2022 2 3460258.9

Installation Structure of Aluminum Alloy Profiles and Aluminum Alloy Pressure Lines in Aluminum Alloy Doors and Windows

The Patent For Utility Model

2023-10-27

Ref. to the Photo

ZL 2019 10819425.8

A Sliding Window Structure With High Insulation Performance

Invention Patent

2023-08-25

Ref. to the Photo

ZL 2023 1 0682693.6

An Aluminum Alloy Bracket Suitable For Photovoltaic Installation and Its Usage Method

Invention Patent

2024-01-30

Ref. to the Photo

公司是否提供OEM/ODM服务?

 是

评估的公司是否有可用的相关设计输入/输出,评审和验证文件?

 是

根据调查,研发人员是否配备了足够的专业设备?

 否

研发人员是否使用任何特定软件来设计新产品?

 否

管理体系&质量控制管理

证书

认证单位

认证编号

业务范畴

到期时间

ISO9001:2015

Beijing United Intellect Certification Co., Ltd.

04322Q32391R4M

Production of aluminum alloy hot extruded profiles (anodized profiles, powder electrostatic spraying profiles, electrophoretic coating profiles, fluorocarbon coating profiles, insulation profiles)

2022-10-12~2025-10-14

产品认证

证书

认证单位

认证编号

产品及型号名称

到期时间

China Green Building Materials Product Certification Certificate

CQM

CQM24CGP130205015313

Aluminum alloy building profiles - insulation profiles & 6063 T5 IV/YMG

~ 2029-04-18

售后服务

公司是否有明确的流程处理客户投诉?

  是的,有明确的流程以及书面记录

公司是否设有流程清楚的记录并维护客户的反馈包括投诉?

  是的,有标准的反馈表和记录

公司对于售后服务有标准的操作流程吗?公司是否提供售后咨询服务?

 是

公司是否对其产品执行国家“三包”规定(包修、包换、包退)?

 是

质量控制管理

公司是否建立原材料检验标准?

 是

在生产过程中公司是否建立了必要的质量检验标准?

 是

为避免混淆或浪费,取样之后公司对不合格材料是否采取控制措施?

 是

操作周围是否有工作指导?

  部分生产线

生产线上是否需要个人防护装备?

 是

生产材料的管理和使用以及生产过程是否由经过适当培训合格员工或者高级员工进行操作?

 是

供应商管理

对于供应商公司是否有评估程序?

 是

对于采购合同审查和批准公司是否制定并实施了标准程序?

  是,有书面标准程序

公司是否保留其供应商评估报告?

  是,保留1年

公司的采购文件是否足以确保产品安全控制和客户要求?

  是,采购文件包含所有相关信息

是否有程序可以在最终包装之后展开随机产品检验?

  是,有明确的标准和书面检验记录
数据由TÜV莱茵检验员独立收集 – 2024年8月5日

证书&照片

营业执照

税务登记证

银行开户许可证

组织机构代码证

Certificate Photo – Export License

Certificate Photo -- Trade Mark

Certificate Photo -- Patent 1

Certificate Photo -- Patent 2

Certificate Photo -- Patent 3

Certificate Photo -- Patent 4

Certificate Photo -- ISO9001:2015

Certificate Photo -- Product Certif...

公司大门

Office Building

车间

车间

车间

仓库

产品图片

产品图片

发展/扩张计划

公司发展措施

时间表

The organization is going to develop the new overseas market.

12 月

卫生和安全

公司是否设立安全责任体系,并分发给各级主管且提供相应培训?

 是

公司是否对厂房和设备进行定期检查,依法确保车间的卫生和安全?

 是

公司是否定期进行必要的安全及卫生培训,让员工了解可能存在的工作危害并在必要时采取相应保护措施?(例如,如何安全使用个人防护装备等)

 是

公司是否定期举行消防演习包括消防演习和疏散演习?员工是否清楚如何拉警报,如何疏散以及如何使用灭火器?

 是

公司是否有当地消防部门批准发放的报告?

 是

公司是否提供足够的急救设备?每个工作场所是否都配备急救箱和训练有素的急救人员?

 否

公司是否提供区分男士和女士的清洁厕所?

 是

公司是否为员工提供干净的饮用水?是否为无限制饮用?

 是

企业社会责任

公司阐明没有童工吗?

 是

公司是否有明确的工作管理程序,并采取相应措施来检查员工年龄?

 是

员工是否清楚劳动合同条款,公司规章以及自由就业的权利?

 是

员工是否被强制加班?如果拒绝,会被罚款或开除吗?

 否

来自江苏宇马新能源有限公司的其他3个系列产品‎

  • Frame - 40mm
    Frame - 40mm
    封装边框
  • Frame - 35mm
    Frame - 35mm
    封装边框
  • Frame - 33mm
    Frame - 33mm
    封装边框